Explore Properties
Behind BuySft
Contact Us
Download App

Vilva The Ambience Vista

Ghatkesar Hyderabad

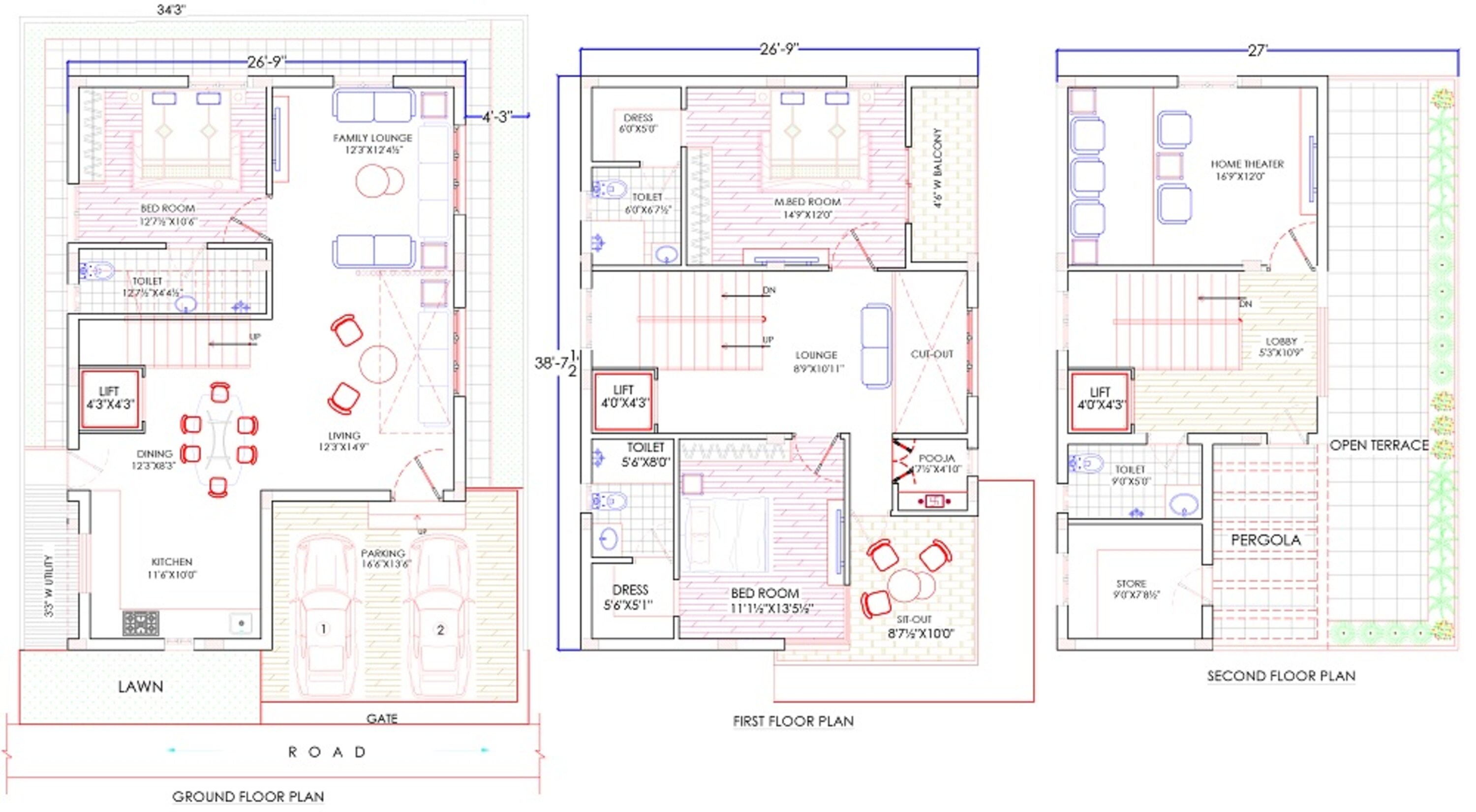
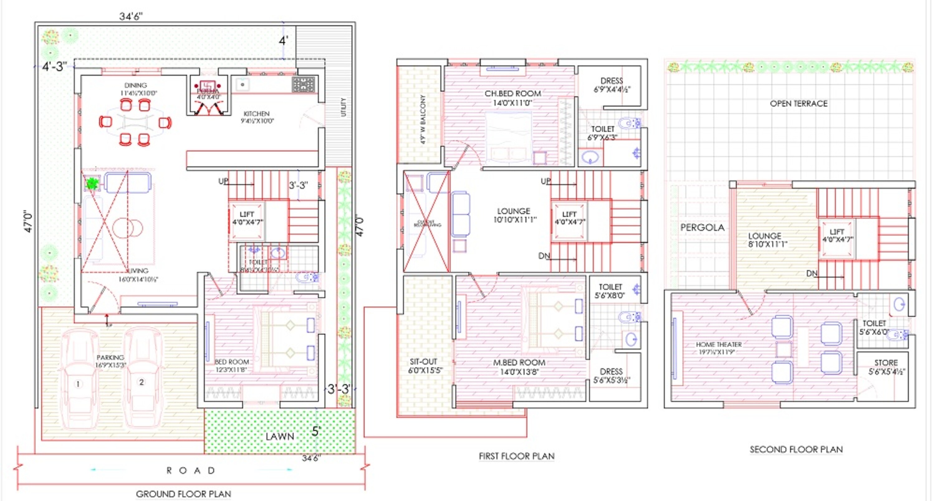
3BHK•2684–2731 Sft

TG RERA Registration No. P02200004308

Website: rera.telangana.gov.in

Budget

Rs.6500 per sft

₹1,79,46,000

Minimum

Base price₹ 6500/sft
Other charges6 items
GSTAs applicable

Status

Mid Stage Construction

Possession

2027

Vilva Infra

1 Total projects— yrs Experience

Vilva The Ambience Vista is a new luxury project located in North Zone, Hyderabad. The project offers 252 units spread over a land area of 5.3 acres. The project has been designed with soothing and energizing themes, IT parks like Infosys SEZ, Raheja IT SEZ, and Servo Industry are in Proximity to this Area,Nearby reputed educational institutions like Ace Engineering College,Easy access to shopping Malls like Asian Muktha Cinemas and Shopping Mall,Enjoys extensive connectivity via NH 163, and much more.

5.3 Acres of project area

Building details coming soon

252 Units

Units details coming soon

P02200004308

This project is RERA approved

Floor to floor height

10.3 ft

More height means more space

Average height in Indian apartments is 9.8 ft

Configurations

3BHK • Villa

2731 SFT • ₹ 1.8Cr

3BHK • Villa

2684 SFT • ₹ 1.8Cr

What This Place Offers

Gym

Swimming Pool

Kids Play Area

Yoga & Meditation

Jogging/Cycle Track

Table Tennis

Billiards & Snooker

Power Backup

Convenience Store

Treated Water

Where You'll Be

What Is Nearby

NH 1630.1 KM
Nehru Outer Ring Road Hyderabad9 KM
Delhi Public School, Ghatkesar4.22 KM
Government Primary School, Ghatkesar4.77 KM
Accent Model High School, Ghatkesar4.96 KM
Vignan Schools, Ghatkesar5.13 KM

Project Specifications

Plastering & Walls

Oil Bound Distemper

Flooring - Bedroom

Vitrified Tiles

Flooring - Bedroom

Vitrified Tiles

Plastering & Walls

Oil Bound Distemper

TG RERA Registration No. P02200004308

Website: rera.telangana.gov.in

Budget

Rs.6500 per sft

₹1,79,46,000

Minimum

Base price₹ 6500/sft
Other charges6 items
GSTAs applicable

Status

Mid Stage Construction

Possession

2027

Disclaimer: The material and information contained herein is for general informational purposes only, and does not constitute an endorsement/warranty/representation/offer from BuySft.

Sources of Information: Project details presented on this page are collected from public sources including State RERA websites (wherever applicable), project websites created by builder and authorized channel partners and official documentation shared by these authorized advertisers (project brochure, price list, payment plans). BuySft only presents this content in easy format for user research and user education and does not own any content. Users are advised to exercise caution and validate facts from builder / promoter before purchase.


© 2026 BuySft.
PrivacyTerms & ConditionsBlogs
GET IT ON
Google Play
Download on the
App Store